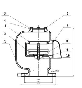
53-ON AIR PIPE HEAD
Freya
Sales Manager
Hey, welcome ! Contact me anytime for your quesitons or suggestions!