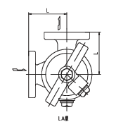
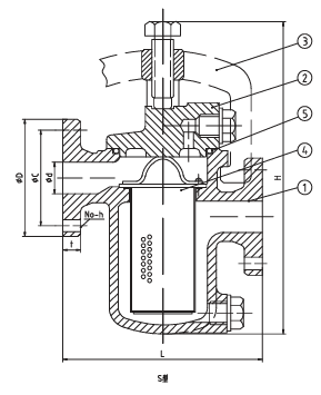
F7209 Shipbuilding-simplex Oil Strainers
Freya
Sales Manager
Hey, welcome ! Contact me anytime for your quesitons or suggestions!