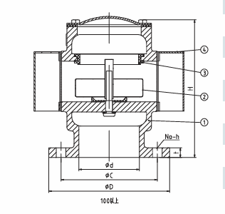
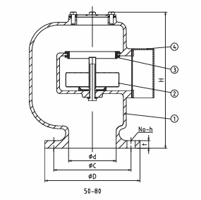
Cast Iron Air Vent Head
Freya
Sales Manager
Hey, welcome ! Contact me anytime for your quesitons or suggestions!